RP Software+Engineering News


RPA v.4.0.11

27-Mar-2026, 13:00 GMT

RPA v.4.0.11 is released.

RPA v.4 Released

The development team is pleased to announce the release of our product RPA v.4

Major changes in this release:

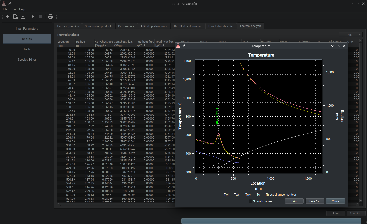
Rocket Propulsion Analysis

RPA is a multi-platform analysis tool for the conceptual and preliminary design of chemical rocket engines, offering capabilities such as:

  • Engine performance analysis
  • Thrust chamber sizing
  • Nozzle wall contour optimization
  • Thrust chamber heat transfer and cooling analysis
  • Scripting utility for development of custom solutions

More features >> Get free trial copy >>

Combustion Analysis

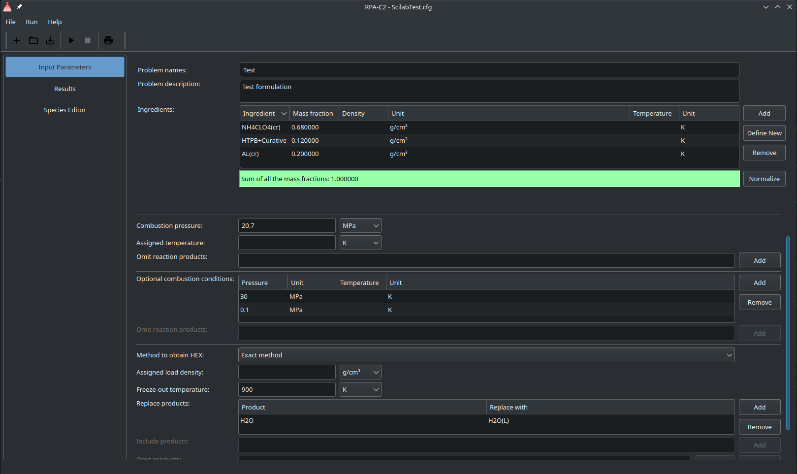
RPA-C is a general-purpose code for combustion analysis of propellants and pyrotechnic mixtures. One potential application is using combustion analysis to design airbag inflators and micro gas generators for the automotive industry.

The software is capable of:

  • Solving combustion problems for a wide range of initial mixtures, including those producing condensed products
  • Estimating Heat of Explosion (HEX) using both the exact method and the inert diluent (Ar) method
  • Obtaining thermodynamic properties of reacting mixtures using a robust, proven, and industry-accepted Gibbs free energy minimization approach
  • Maintaining an extendable database of ingredients and reaction products
  • Importing chemical species from NASA CEA and PROPEP formats
  • Editing chemical species to modify existing ones or add custom ingredients
  • Providing a scripting utility to access RPA-C functionality from third-party tools and custom scripts (e.g., Matlab, Scilab, or Octave)
  • Offering a Scilab native plugin for the development of custom solutions

More features >> Get free trial copy >>

RPA-C - Tool for Combustion Analysis

Custom Development

We build custom cross-platform native, web and mobile solutions that keep you ahead of the competition.

Key technical expertise:

  • Numerical analysis and simulations for combustion and rocket propulsion applications
  • Cross-platform development of engineering and scientific software
  • Development in modern C++

Learn more >>

Supplementary Services

We offer the following supplementary services to our customers:

  • Technical support
  • Multiple levels of support are available for all our products.
  • Technical assistance
  • We provide support for modeling and simulating rocket propulsion systems.
  • Customization
  • We can add new features to our products upon request to enhance their capabilities.

Learn more >>

Our Customers

RPA serves a diverse clientele, including globally recognized companies and emerging firms discovering new opportunities in the aerospace industry.

RPA is also utilized by research and development institutions within national aerospace agencies and technical universities worldwide.

While we respect confidentiality and cannot disclose the names of most of our clients, we can provide references upon request.

RP Software+Engineering UG

53819 Neunkirchen-Seelscheid, Germany

About us  |  Impressum

Customers

Contact information

RP Software+Engineering UG

53819 Neunkirchen-Seelscheid, Germany

About us  |  Impressum

Customers

Contact information


Copyright © 2009 - 2026 RP Software+Engineering UG